滚珠丝杠副
DKFZD型高速精密滚珠丝杠副
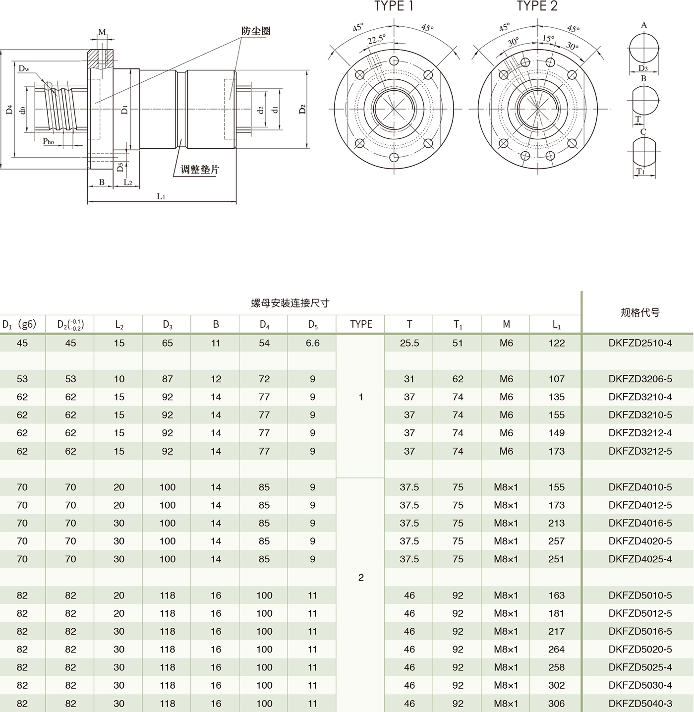
- 产品描述
注:1) KC是在预紧力Fp为0.1Ca,轴向载荷F为0.3Ca时的理论计算值;
2)当轴向载荷F不等于0.3Ca时,

式中
Kc是表中的刚度值;
3)该类型的滚珠丝杠副适用于高速应用场合;
4)正常工作环境温度范围士80℃;
5)有特殊要求应在订货时提出。


相关产品
联系我们 / CONTACT US
爱体育官方网站
地址:南京市江宁区滨江开发区飞鹰路79号
订货热线: +86-025-8656 1707 / 8658 6220
技术部: +86-025-8658 6253
售后热线:+86-025-8658 6241
举报电话: 025-86586228、86586231
举报邮箱: njgyjijc@163.com
http://www.arbelaitz.com
E-mail:scb@njyigong.cn
1688店铺 中国制造网 中国供应商
客户留言
描述:
版权所有:爱体育官方网站 苏ICP备2024115199号-2 网站建设:中企动力 南京 SEO